4″ x 6-5/8″ DirectVent Pro Galvanized Square Horizontal Termination Cap (Aluminum)
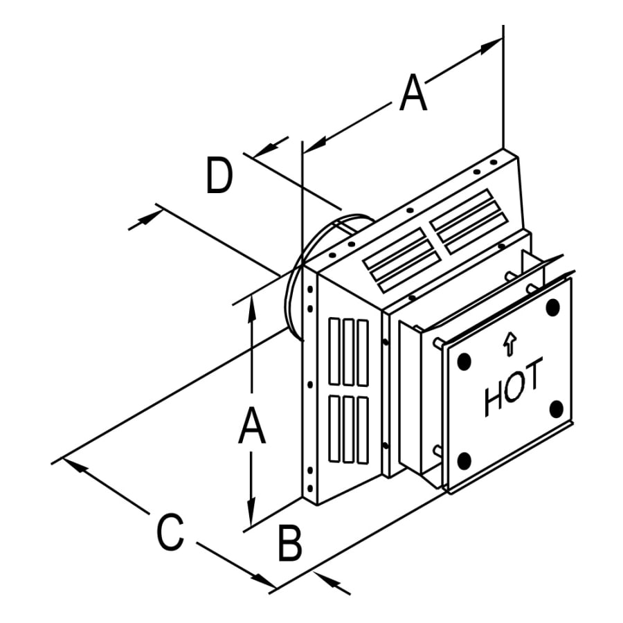
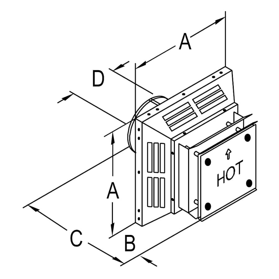
The DirectVent Pro 4″ x 6-5/8″ Galvanized Square Horizontal Termination Cap (Aluminum) is a component that is used in a typical venting installation. The DirectVent Pro square horizontal termination cap is used for standard and high wind through the wall terminations. Check installation instructions for restrictions on horizontal cap terminations, such as minimum distance from windows and doors. This termination cap is made of aluminum.
Features:
Inner Diameter: 4″
Outside Diameter: 6-5/8″
Use for Standard and High-Wind Through-the-Wall Terminations
Dimensions: 13-1/2″L x 13-1/2″W x 12-1/2″D
DirectVent Pro features tight inner connections for superb performance, with no gaskets or sealants required (unless specified by the appliance manufacturer). All black pipe lengths, pipe extensions, and elbows feature laser-welded outer wall seams for a sleek finish. Low-profile locks and no hems or beads allow for a beautiful product that looks elegant in any interior. DirectVent Pro is a unitized, coaxial venting system designed for use with direct vent gas or propane stoves, heaters, and fireplaces.
Looking for Simpson Dura-Vent? You found it! Simpson Dura-Vent has changed their name to DuraVent. DuraVent is a recognized technological leader in the venting industry. Consistently the first to market with new innovations in venting systems, DuraVent has captured a leadership position in emerging markets. DuraVent has patents for several products and continues to design safe and technologically advanced venting.The company’s research into solving problems with corrosion, when biofuels such as corn are used, led to the break-through patent for PelletVent Pro. Scientifically proven materials and unequalled engineering make DuraVent products not only the best choice, or safest choice, but the only choice for professional quality venting products.
Additional DuraVent Links
View the Manufacturer Warranty
Browse all DuraVent Products
DuraVent 4 Inch x 6-5/8 Inch DirectVent Pro Collection
Specifications
| Height | 13.5 in. |
| Product Weight | 5 lbs. |
| Width | 13.5 in. |
| Depth | 19.375 in. |
| Inner Pipe Gauge | 24 |
| Outer Pipe Gauge | 28 |
| Pipe Inside Diameter | 4 in. |
| Configuration | Cap |
| Material | Aluminum |
| Inner Pipe Material | Aluminum |
| Outer Pipe Material | Galvanized Steel |
| Pipe Class | Direct Vent |
| Pipe Shape | Round |
| Insulation Type | Air |
| Manufacturer Warranty | Limited Lifetime |
| Approved for Commercial Use | No |
| Collection | DirectVent Pro |
| Certifications | UL |
| Application | Fireplace, Heater, Stove |
| Fuel Type | Gas |
| Color | Galvanized |
| Color Tone | Neutrals |



Reviews
There are no reviews yet.