FasNSeal Collection 4 Inch Wall Thimble with Double Wall Construction and Adjustable Vent Length
Warranty Notice: M&G DuraVent warranty applies to this professional grade product only when installed by a trained professional installer.
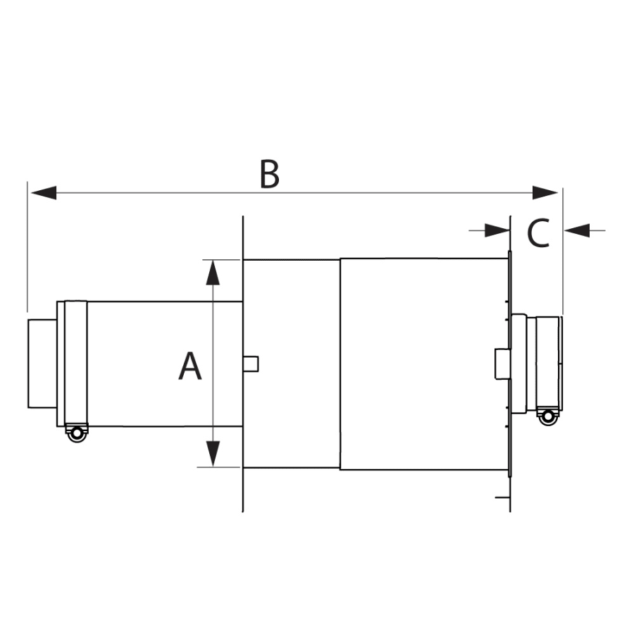
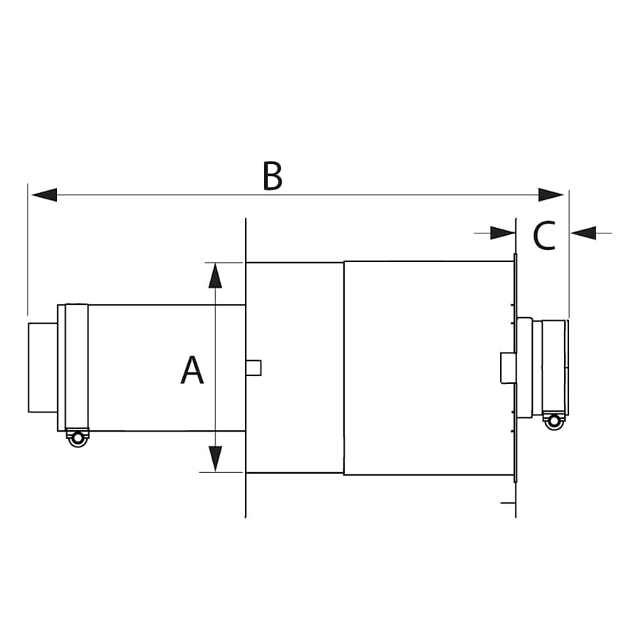
This FasNSeal 4 Inch Wall Thimble with Double Wall Construction and Adjustable Vent Length features a patented built in mechanical locking band and triple lipped directional gaskets which allows for ease of installation. Use for through-the-wall termination. Fits between standard wall studs. 3”-5” diameters accommodates wall thickness of 4 1/4” to 8 1/2”. 6”–16” diameters accommodate wall thickness of 5 3/4” to 11 1/2”. AVL pipe allows for adjustability in length variance.
Features:
Inner Diameter: 4″
Fuel Types Compatible With: Gas
UL Listed: Yes
Length: 18″
Double Wall Construction
Limited Lifetime Warranty
All FasNSeal single-wall and double-wall vent lengths and components feature patented built-in mechanical locking band and triple lipped directional gaskets. All pipes and components are engineered with smooth clean welds located 90° from mechanical locking bands. This construction feature allows for ease of installation. All FasNSeal components which come in contact with exhaust gases and condensates are now silicone free. This important design and manufacturing feature greatly reduces the chances of system breakdown and failure. The main problems with silicone are there are too many adhesion factors which are very difficult to control and the process of binding similar materials with an epoxy, which can weaken the bond over time. Welded seams ensures a leak-free product that is meant to last.
Looking for Simpson Dura-Vent? You found it! Simpson Dura-Vent has changed their name to DuraVent. DuraVent is a recognized technological leader in the venting industry. Consistently the first to market with new innovations in venting systems, DuraVent has captured a leadership position in emerging markets. DuraVent has patents for several products and continues to design safe and technologically advanced venting. The company’s research into solving problems with corrosion, when biofuels such as corn are used, led to the break-through patent for PelletVent Pro. Scientifically proven materials and unequalled engineering make DuraVent products not only the best choice, or safest choice, but the only choice for professional quality venting products.
Additional DuraVent Links
View the Manufacturer Warranty
Browse all DuraVent Products
DuraVent FasNSeal Collection
Specifications
| Product Weight | 12.2 lbs. |
| Length | 18 in. |
| Gauge | 27 |
| Outer Pipe Gauge | 27 |
| Pipe Inside Diameter | 4 in. |
| Material | Stainless Steel |
| Configuration | Wall Thimble |
| Inner Pipe Material | AL-29-4C Stainless Steel |
| Outer Pipe Material | Stainless Steel |
| Pipe Class | AL29-4C |
| Pipe Shape | Round |
| Vent Construction | Double Wall |
| Insulation Type | Air |
| Approved for Commercial Use | No |
| Collection | FasNSeal W2 |
| Manufacturer Warranty | Limited Lifetime |
| Certifications | UL |
| Application | Booster Heater, Category II Appliance, Category III Appliance, Category IV Appliance, Furnace, High Efficiency Gas Boiler, Pool Heater, Tankless Water Heater, Unit Heater, Water Heater |
| UL Listing Number | UL 1738, ULC S636 |
| Fuel Type | Gas |
| Color | Stainless Steel |
| Color Tone | Stainless Steel |




Reviews
There are no reviews yet.