Elkay commercial faucets combine performance and style. From the commercial kitchen to the classroom, Elkay has faucets for a variety of applications. Select from options and styles that make it easier to take on the tasks you do every day.
Elkay LK810AT12T4 Features:
Faucet is ADA compliant
Certified to NSF/ANSI 61 and 372 to meet all federal and state regulations for low or no-lead products
Built in water-saving features
Solid brass construction is built for long-term durability
Vandal-resistant aerator comes installed with 1.5 GPM water-saving, vandal-resistant aerator and includes optional 2.2 and 0.5 GPM aerator inserts
Special pin locks faucet into stationary position for required applications
Faucet designed to be installed using three faucet holes
Elkay LK810AT12T4 Specifications:
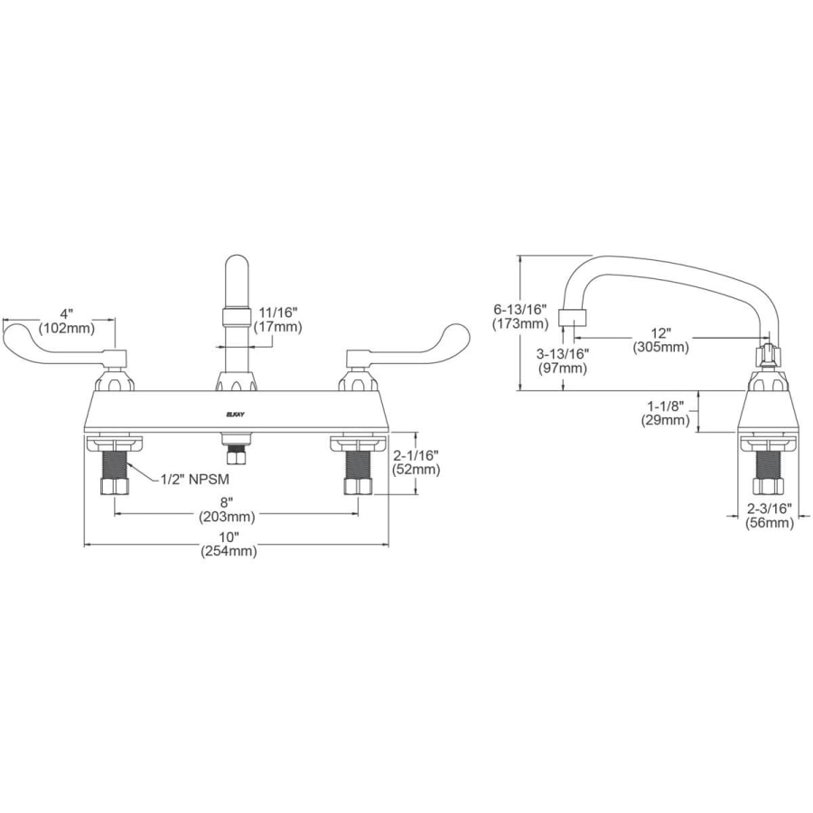
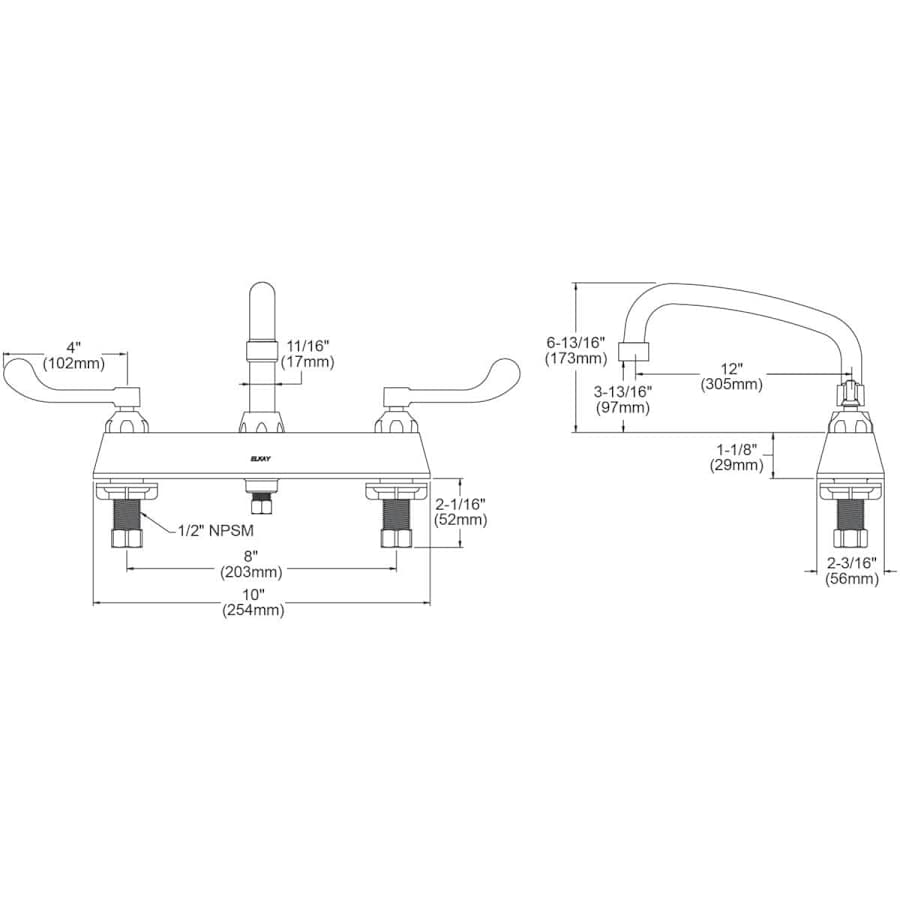
Height: 6-13/16″ (deck to top of faucet)
Spout Height: 3-13/16″ (deck to spout outlet)
Spout Reach: 12″ (center of faucet body to center of spout outlet)
Flow Rate: 1.5 gallons-per-minute
Faucet Holes: 3 (holes needed to install faucet)
Faucet Centers: 8″ (distance between centers of outside faucet holes)
Additional Elkay Links
View the Manufacturer Warranty
Browse all Elkay Products
Specifications
| Height | 6.8125 in. |
| Faucet Centers | 8 in. |
| Flow Rate (GPM) | 1.5 |
| Spout Height | 3.8125 in. |
| Spout Reach | 12 in. |
| Inside Diameter | 0.5 in. |
| Thermostat | Traditional |
| Material | Brass |
| Insulation Type | Deck Mounted |
| Faucet Holes | 3 |
| Mounting Type | Standard |
| Handle Style | Wrist Blade |
| Number Of Handles | 2 |
| Valve Type | Ceramic Disc |
| Pullout Spray | No |
| Faucet Type | Food Service Faucet |
| Approved for Commercial Use | Yes |
| Country Of Origin | China |
| ADA | Yes |
| ASSE Code | A112.18.1 |
| Certifications | NSF, ASME, CSA |
| CSA Code | B125-01 |
| Lead Leaching Certified NSF/ANSI 61 | Yes |
| Low Lead Compliant | Yes |
| Handshower Included | Yes |
| Valve Included | Yes |
| Escutcheon Included | Yes |
| Sidespray | No |
| Color | Chrome |
| Color Tone | Silver Tones |




Reviews
There are no reviews yet.