Visibly enhance your bathroom ambience with Metris fixtures: Metris models have a reduced, modern design and fit in perfectly anywhere. Their generous surfaces ensure luxurious elegance. Their tapered base body and precise contours underline the high quality. You can regulate your desired water quantity and temperature anywhere using the practical single-lever bathroom faucet with an open curve. It’s Easy and precise. The Metris faucet line offers various bath faucets for your moments of well-being. The Metris bath collection features a matching tub spout, providing the ability to match shower and bath fixtures to the chosen bathroom faucets.
Hansgrohe 31183 Features:
Saves water, energy and money: The flow rate is automatically restricted to max. 1.2 GPM, even when the water pressure varies (EcoRight)
High-quality designer bathroom faucet from Hansgrohe with drain assembly and many comfort functions
More freedom of movement: the distance between the spout and the sink provides space for comfortable use (ComfortZone 200)
Easy to clean: limescale can be easily removed by wiping over the silicone insert on the spout (QuickClean)
This faucet enriches water with air – for a full stream of water that splashes less (AirPower)
Easy-care and long-lasting chrome finish: The shiny chrome finish boasts a lasting shine
Easy to install: The faucet is attached to the water connections via flexible connection hoses (3/8-inch)
Connection details: Contains standard 1/2-inch connection to easily retrofit to any showerarm
Installation notes: Hansgrohe recommends a licensed plumber install this product
Limited lifetime consumer warranty: Consumer purchases of Hansgrohe products from authorized sellers are covered by a limited lifetime manufacturer warranty applicable to the original purchaser
Hansgrohe 31183 Specifications:
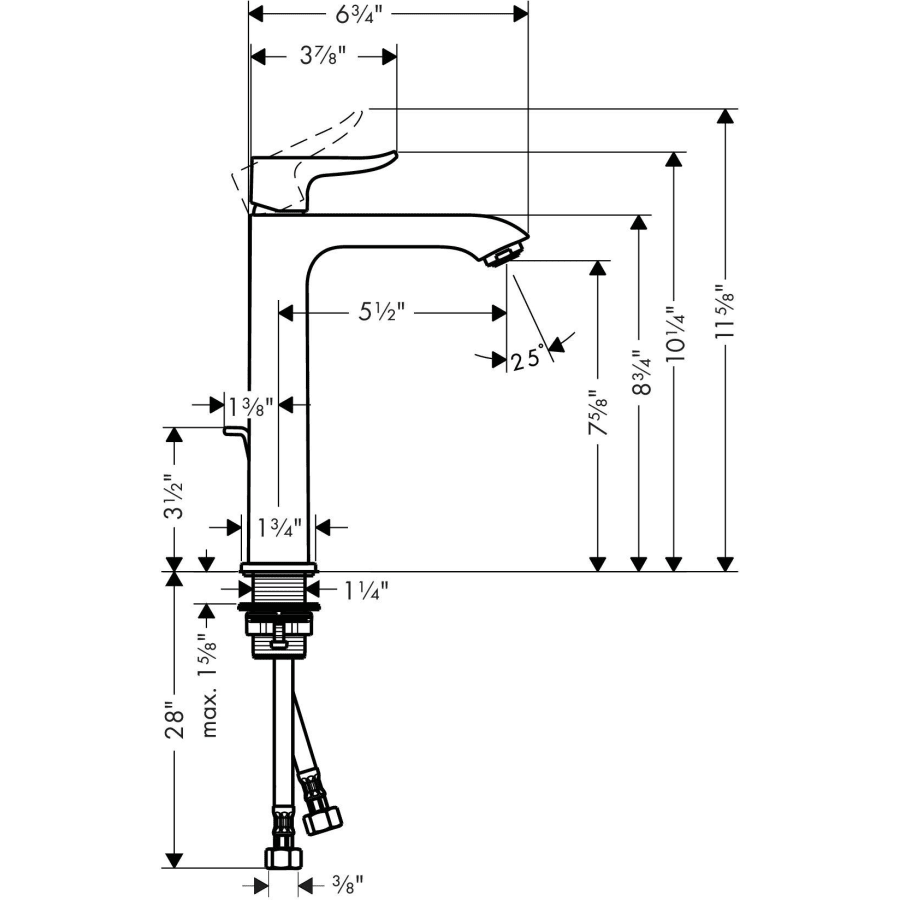
Height: 11-5/8″ (deck to top of faucet)
Spout Height: 7-5/8″ (deck to spout outlet)
Spout Reach: 5-1/2″ (faucet base to spout outlet)
Flow Rate: 1.2 gallons-per-minute
Maximum Deck Thickness: 1-5/8″ (cannot mount on thicker decks)
Faucet Hole Size: 1-1/4″
Faucet Holes: 1 (minimum number of holes required for installation)
Additional Hansgrohe Links
View the Manufacturer Warranty
Browse all Hansgrohe Products
Hansgrohe Metris Collection
Specifications
| Thermostat | Modern |
| Insulation Type | Deck Mounted |
| Material | Brass |
| Faucet Holes | 1 |
| Number Of Handles | 1 |
| Valve Type | Ceramic Disc |
| Water Connection Type | Compression |
| Mounting Type | Single Hole |
| Handle Style | Lever |
| Spout Type | Fixed |
| Water Efficient | Yes |
| Vessel Faucet | Yes |
| Approved for Commercial Use | Yes |
| ADA | Yes |
| Collection | Metris |
| Manufacturer Warranty | Limited Lifetime |
| Lead Leaching Certified NSF/ANSI 61 | Yes |
| CA Drought Compliant | Yes |
| Eco Friendly | Yes |
| WaterSense Certified | Yes |
| Height | 11.625 in. |
| Faucet Centers | 0 in. |
| Max Deck Thickness | 1.625 in. |
| Water Connection | 3/8" |
| Flow Rate (GPM) | 1.2 |
| Faucet Hole Size | 1.25 in. |
| Spout Height | 7.625 in. |
| Spout Reach | 5.5 in. |
| Drain Assembly Included | Yes |
| Handshower Included | Yes |
| Valve Included | Yes |
| Pop-Up Included | Yes |
| Color | Brushed Nickel |
| Color Tone | Nickel Tones |







Reviews
There are no reviews yet.